Gem Camel Asansör Makine Motoru

Kod : CAMEL

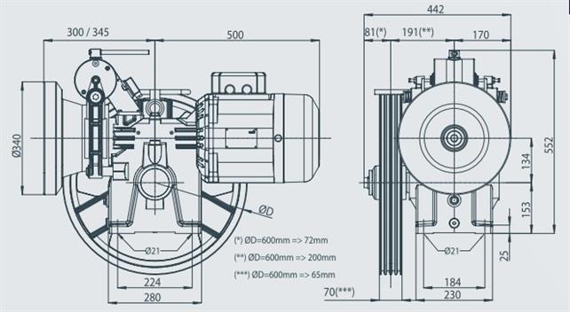
CAMEL

1 m/sn hıza kadar 3, 4 ve 6 kişilik için özel tasarlanmış oldukça kompakt ve fonksiyonel bir asansör makine motorudur. Motor tipi A4 entegre edilmiştir.

GEM asansör makine motoru CAMEL serisi, sonsuz dişli özel alaşım (nikel ile santrifüj bronz) ve tahrik kasnağı sfero dökme demir (EN-GJS-700-2 UNI EN 1563) ile yapılmıştır. Bu konsol kasnağı iki sabitleme noktası, statik yük (2.300 Kg) ve aynı zamanda daha büyük statik yükler için ( 2.700 Kg. kadar), kendinden yayılan dış destek ile sağlanabilir. Sentetik yağ (3 litre) ve standart tek fazlı 230V-50Hz fan ile teslim edilir.

HW134 "CAMEL" dişli kutusu, gürültü seviyesi 60 Db altında (IEC 39-4 ile uyumlu; CEI EN 60034-9), 0,7 mm/sn'den daha küçük yatay titreşim seviyesi (IEC 34-14 ile uyumlu, CEI 2-23) ve bağımsız çift hareketi ile elektromanyetik fren özellikleri olan dişli kutusu teknolojisi yenilik yaratmaktadır.

Asansör makine motoru, kolay ulaşımı ve genellikle kolayca erişilemeyen yerlerde bulunan mevcut makine daireleri, montaj için stator, fren ve tahrik kasnağını çıkartmadan, kolayca demonte edilebilir.

" Hayatınızı Kolaylaştırmak İçin Varız "

Asansör Uygulama, Montaj, Bakım ve Servis hizmetleri konularında uzman personelimiz ve son teknoloji ekipmanlarımızla hizmetinizdeyiz...

Asansör Uygulama

Orfa Asansör olarak kaliteli uygulama ve montaj hizmeti vermekteyiz...

01

Asansör Bakım

Asansörlerinizin bakımını uzman ekibimiz ve ekipmanlarımız ile zamanında yapmaktayız...

02

Asansör Servis

Asansör arızalarınız için bize ulaşarak servis hizmetimizden faydalanabilirsiniz...

03

İletişim

Soğanlı Mah. Sevinç Sok. No: 19 / B Bahçelievler - İstanbul - Türkiye

Bize Ulaşın

1994'ten günümüze Asansör Montaj - Bakım ve Revizyon Hizmetleri